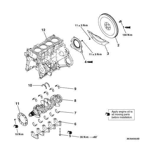
REMOVAL AND INSTALLATION







Removal steps
<<A>>
>>G<<
1.
Flywheel bolt


2.
Flywheel


3.
Bell housing cover

>>F<<
4.
Oil seal case

>>E<<
5.
Crankshaft bearing cap bolt

>>E<<
6.
Crankshaft bearing cap

>>D<<
7.
Crankshaft bearing, lower


8.
Crankshaft

>>C<<
9.
Crankshaft bearing, upper

>>B<<
10.
Thrust bearing

>>A<<
11.
Crankshaft sensing ring


12.
Cylinder block

REMOVAL SERVICE POINTS



<<A>> FLYWHEEL BOLT REMOVAL



1.Lock the flywheel using the special tool Flywheel stopper (MB991883).
2.Remove the flywheel bolt.

INSTALLATION SERVICE POINTS



>>A<< CRANKSHAFT SENSING RING INSTALLATION



1.Install the crankshaft sensing ring to the crankshaft after aligning a stamp to the position as shown in the illustration when the crankshaft is at No.1 TOP.
2.Apply engine oil to the crankshaft sensing ring screw.
3.Tighten the crankshaft sensing ring screws to 10 N·m in the steps given in the illustrated.

>>B<< THRUST BEARING INSTALLATION


1.Install the thrust bearing onto the cylinder block side of the No. 4 bearing. Apply engine oil to the thrust bearing to facilitate installation.

2.The thrust bearing should be installed such that its groove faces the crankshaft weight.

>>C<< CRANKSHAFT BEARING UPPER INSTALLATION




1.The crankshaft bearing upper should be selected based on the identification mark on the right side face of the cylinder block (illustrated) and the table shown below.
Every crankshaft bearing upper is identified by the paint mark at the illustrated location.
Cylinder block
Crankshaft bearing paint color
Identification mark
Journal diameter
mm
1
50.000 - 50.005
Green
2
50.005 - 50.010
Black
3
50.010 - 50.015
Red

2.Select and install the crankshaft bearing upper.
3.Measure the illustrated location. The error should be within 0.5 mm.

>>D<< CRANKSHAFT BEARING LOWER INSTALLATION



1.The crankshaft bearing lower should be selected based on the identification mark on the crankshaft rear flange (illustrated) and the table shown below.

2.Every crankshaft bearing lower is identified by the paint mark at the illustrated location.
Crankshaft
Crankshaft bearing paint color
Identification mark
Journal diameter mm
1 or P
46.024 - 46.029
Green
2 or Y
46.019 - 46.024
Black
3 or N
46.014 - 46.019
Red
4 or W
46.009 - 46.014
White
5 or B
46.004 - 46.009
Purple

3.Select and install the crankshaft bearing lower.
4.Measure the illustrated location. The error should be within 0.5 mm.

>>E<< BEARING CAP / BEARING CAP BOLT INSTALLATION



1.Install the bearing cap, based on the identification mark at the illustrated location.

2.Before the bearing cap bolt is installed, make sure the nominal length of the bolt is below the limit. If above the limit, replace the bolt with the new one.
Standard value: 75.3 mm
3.Apply engine oil to the threaded portion and seating face of the bolt.
4.Tighten the bearing cap bolts in the illustrated sequence to 35 ± 2 N·m.
caution
  • When the tightening angle is smaller than the specified tightening angle, the appropriate tightening capacity cannot be secured.
  • When the tightening angle is larger than the specified tightening angle, remove the bolt to start from the beginning again according to the procedure.

5.Using the special tool Angle gauge (MB991614), tighten the bearing cap bolts in the illustrated sequence by a further 60 to 64°.

6.With the bearing caps installed, check the crankshaft end play. If the measured value exceeds the limit, replace the crankshaft bearings.
Standard value: 0.09 - 0.27 mm
Limit: 0.30 mm

>>F<< OIL SEAL CASE INSTALLATION


1.Remove sealant from the oil seal case mounting surface of the cylinder block.

2.Apply a bead of specified sealant to the oil seal case mating surface of the cylinder block as shown.
Specified sealant:
    Three bond 1217G or equivalent
3.
caution Install the oil seal case not to damage the oil seal.
Within 10 minutes after applying the specified sealant, install the oil seal case to the cylinder block.
4.Tighten the oil seal case mounting bolts to the specified torque.
Tightening torque: 11 ± 3 N·m

>>G<< FLYWHEEL BOLT INSTALLATION


1.Remove any sealant remaining on the threaded hole in the crankshaft.

2.Apply a small amount of engine oil the installation face of the flywheel bolt.
3.
caution Apply sealant correctly so that it will not be squeezed out onto the end of the threaded portion upon assembly.
Apply sealant to the threaded portion of the flywheel bolt as illustrated.
Specified sealant:
    Three bond 1324N or equivalent

4.Fix the flywheel in place using the special tool Flywheel stopper (MB991883).

5.In accordance with the numerical order shown in the illustration, tighten the flywheel bolt to the specified torque of 100 N·m in several steps.