|
|
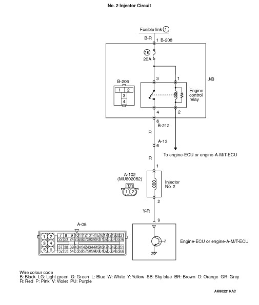
- Item No. 2: No. 2 injector
|
|
|
Q.
Is the check result normal?
|
|
|
Intermittent malfunction (Refer to GROUP 00 - How to Use Troubleshooting/Inspection
Service Points - How to Cope with Intermittent Malfunctions ).
|
|
|
|

|
Q.
Is the check result normal?
Go to Step 3 .
Repair or replace the connector.
|
|
|
- Check No. 2 Injector itself (Refer to
).
|
|
|
Q.
Is the check result normal?
|
|
|
Replace the No. 2 injector.
|
|
|
|

|
- Disconnect connector, and measure at harness side.
- Ignition switch: ON
- Voltage between terminal No. 1 and earth.
OK: System voltage
Q.
Is the check result normal?
Go to Step 6 .
Go to Step 5 .
|


|
Q.
Is the check result normal?

Check intermediate connectors A-13 and B-212,
and repair if necessary. If intermediate connectors are normal, check and repair harness between
B-206 (terminal No. 4) engine control relay connector and A-102 (terminal No. 1) No. 2 injector connector.
- Check power supply line for open/short circuit and damage.
Repair or replace the connector.
|

|
Q.
Is the check result normal?
Go to Step 7 .
Repair or replace the connector.
|


|
| note |
Before checking harness, check intermediate connectors A-13 and B-212, and repair if necessary.
|
- Check power supply line for damage.
Q.
Is the check result normal?
Go to Step 8 .
Repair the damaged harness wire.
|

|
Q.
Is the check result normal?
Go to Step 9 .
Repair or replace the connector.
|


|
- Check earthing line for open/short circuit and damage.
Q.
Is the check result normal?
Go to Step 10 .
Repair the damaged harness wire.
|

|
- Disconnect engine-ECU connector or engine-A-M/T-ECU
connector, and connect special tool power plant ECU check harness (MB991987), and then measure
the voltage on the check connector.
- Engine: Idling
- Transmission: Neutral
- Voltage between terminal No. 9 and earth.
OK: Waveform should be display on Inspection procedure using an oscilloscope (Refer
to ).
Q.
Is the check result normal?
Intermittent malfunction (Refer to GROUP 00 - How to Use Troubleshooting/Inspection
Service Points - How to Cope with Intermittent Malfunctions ).
Replace the engine-ECU or engine-A-M/T-ECU then perform the variant coding
(Refer to GROUP 00 - Precautions Before Service - How to Perform Variant Coding ).
|