
|
Q.
Is the check result normal?
Go to Step 2 .
Repair or replace the connector.
|
|
|
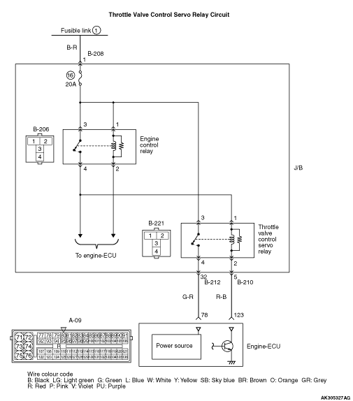
- Check throttle valve control servo relay (Refer to
).
|
|
|
Q.
Is the check result normal?
|
|
|
Replace the throttle valve control servo relay.
|
|
|
|

|
- Remove relay, and measure at J/B side.
- Voltage between terminal No. 3 and earth.
OK: System voltage
Q.
Is the check result normal?
Go to Step 4 .

Check intermediate connector B-208, and repair
if necessary. If intermediate connector is normal, check and repair harness between B-221 (terminal
No. 3) throttle valve control servo relay connector and battery.
- Check power supply line for open/short circuit.
|

|
- Remove relay, and measure at J/B side.
- Ignition switch: ON
- Voltage between terminal No. 1 and earth.
OK: System voltage
Q.
Is the check result normal?
Go to Step 6 .
Go to Step 5 .
|


|
Q.
Is the check result normal?

Check and repair harness between B-206 (terminal No.
4) engine control relay connector and B-221 (terminal No. 1) throttle valve control servo relay connector.
- Check power supply line for open/short circuit.
Repair or replace the connector.
|


|
- Disconnect connector, and measure at harness side.
- Ignition switch: ON
- Voltage between terminal No. 123 and earth.
OK: System voltage
Q.
Is the check result normal?
Go to Step 7 .

Check intermediate connector B-210, and repair
if necessary. If intermediate connector is normal, check and repair harness between B-221 (terminal
No. 2) throttle valve control servo relay connector and A-09 (terminal No. 123) engine-ECU connector.
- Check earthing line for open/short circuit.
|

|
- Disconnect connector, and measure at harness side.
- Ignition switch: ON
- Using a jumper wire, connect A-09 (terminal No. 123) engine-ECU connector and earth.
- Voltage between terminal No. 78 and earth.
OK: System voltage
Q.
Is the check result normal?
Go to Step 10 .
Go to Step 8 .
|


|
| note |
Before checking harness, check intermediate connector B-212, and repair if necessary.
|
- Check power supply line for open/short circuit.
Q.
Is the check result normal?
Go to Step 9 .
Repair the damaged harness wire.
|

|
Q.
Is the check result normal?
Replace the engine-ECU then perform the variant coding (Refer to GROUP 00 - Precautions before
service - How to Perform Variant Coding .
Repair or replace the connector.
|

|
Q.
Is the check result normal?
Go to Step 11 .
Repair or replace the connector.
|

|
| note |
Before checking harness, check intermediate connector B-208, and repair if necessary.
|
- Check power supply line for damage.
Q.
Is the harness connector in good condition?
Go to Step 12 .
Repair the damaged harness wire.
|


|
- Check power supply line for damage.
Q.
Is the harness connector in good condition?
Go to Step 13 .
Repair the damaged harness wire.
|


|
| note |
Before checking harness, check intermediate connector B-210, and repair if necessary.
|
- Check power supply line for damage.
Q.
Is the harness connector in good condition?
Go to Step 14 .
Repair the damaged harness wire.
|


|
| note |
Before checking harness, check intermediate connector B-212, and repair if necessary.
|
- Check power supply line for damage.
Q.
Is the harness connector in good condition?
Go to Step 15 .
Repair the damaged harness wire.
|
|
|
- Reconfirmation of diagnosis code.
|
|
|
Q.
Is the diagnosis code set?
|
|
|
Replace the engine-ECU then perform the variant coding (Refer to GROUP 00 - Precautions Before
Service - How to Perform Variant Coding ).
|
|
|
|
|
|
Intermittent malfunction (Refer to GROUP 00 - How to Use Troubleshooting/Inspection
Service Points - How to Cope with Intermittent Malfunctions ).
|
|
|
|