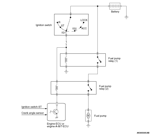
FUEL PUMP RELAY CONTROL

When an ST signal is input by the ignition switch, the engine-ECU or engine-A-M/T-ECU turns ON the power transistor for controlling the fuel pump relay. As a result, current flows through the coil in the fuel pump relay, causing the relay switch to turn ON and actuate the fuel pump.
While the engine is running, the power transistor for controlling the fuel pump relay remains ON in order to continue actuating the fuel pump. If the engine speed drops to 50 r/min or below due to the stalling of the engine, the engine-ECU or engine-A-M/T-ECU immediately turns OFF the power transistor for controlling the fuel pump relay. By stopping the actuation of the fuel pump in this manner, safety is ensured in case of an emergency.