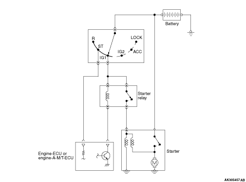
STARTER RELAY CONTROL


<Vehicle without AS&G system>

Ordinarily, when the ST signal is input from the ignition switch, the engine-ECU or engine-A-M/T-ECU turns ON the power transistor for controlling the starter relay. As a result, the current flowing through the coil of the starter relay, turns the relay switch ON, and actuates the starter motor. However, if the automated manual transmission system determines to disable the starting of the starter motor for safety reasons (such as when the driver attempts to start the engine with the clutch engaged), the engine-ECU or engine-A-M/T-ECU turns OFF the starter relay.
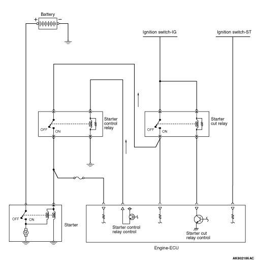
<Vehicle with AS&G system>


AT NORMAL ENGINE START


When the following signals are input, the engine-ECU turns ON the power transistor of the starter cut relay in the engine-ECU. Then, the starter cut relay is turned ON to supply electrical power to the starter control relay.

  • Ignition switch-ST
  • The transmission is in the neutral position or the clutch switch (A) is in the OFF position (the clutch pedal is depressed).
When the ignition switch-ST signal is input, the engine-ECU turns ON the power transistor of the starter cut relay in the engine-ECU. When the voltage is provided by the starter cut relay at that time, the starter control relay is turned ON to drive the starter.

AT ENGINE START FROM AUTO STOP STATUS


When one of the following signals is input, the engine-ECU turns ON the power transistor of the starter cut relay in the engine-ECU. Then, the starter cut relay is turned ON to supply electrical power to the starter control relay.

  • Transmission: neutral
  • Clutch switch (A): OFF (the clutch pedal is depressed.)
When detecting that the clutch pedal is depressed, the engine-ECU turns ON the power transistor of the starter control relay in the engine-ECU. When the voltage is provided by the starter cut relay at that time, the starter control relay is turned ON to drive the starter.