
|
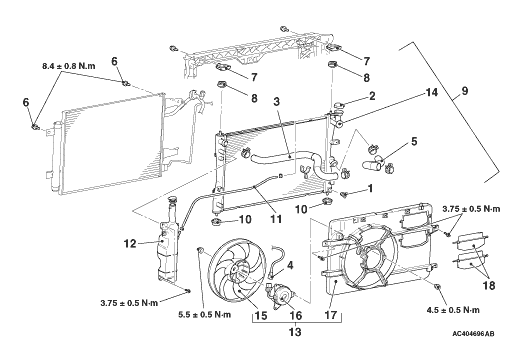
Make mating marks on the radiator hose and the hose clamp. Disconnect the radiator hose.
|
|
|
After removing the A/C condenser mounting screws, tie A/C condenser
by string to secure. At this time, be careful not to load the A/C pipe, etc.
|

|
1.Insert radiator lower hose as far as the projection of the cooling water inlet hose fitting. 2.Push the radiator upper hose onto the cylinder head nipple as far as its base. 3.Align the mating marks on the radiator hose and hose clamp, and then connect the radiator
hose.
|