REMOVAL AND INSTALLATION <4G1>


Pre-removal Operation
  • Engine Cover Removal (Refer to GROUP 11E, Camshaft and Valve Stem Seal ).
  • Engine Coolant Draining (Refer to GROUP 14, On-vehicle Service - Engine Coolant Replacement ).
  • Cowl Top Panel Removal (Refer to GROUP 42, Loose Panel ) <COLT>.
  • Cowl Top Panel Removal (Refer to GROUP 42, Loose Panel ) <COLT CZ3>.
  • Strut Tower Bar Removal (Refer to GROUP 42, Strut Tower Bar ).
  • Air Cleaner Assembly Removal (Refer to ).
  • Air Hose C, Air Pipe B and Air Hose D Removal (Refer to ).
  • Throttle Body Removal (Refer to GROUP 13C, Throttle Body ).
  • Fuel Delivery Pipe and Fuel Injector Assembly Removal (Refer to GROUP 13C, Injector ).
  • Throttle Body Water Return Hose and Cooling Water Line Hose Removal (Refer to GROUP 14 and Water Hose and Water Pipe ).

Post-installation Operation
  • Throttle Body Water Return Hose and Cooling Water Line Hose Installation (Refer to GROUP 14, Water Hose and Water Pipe ).
  • Fuel Delivery Pipe and Fuel Injector Assembly Installation (Refer to GROUP 13C, Injector ).
  • Throttle Body Installation (Refer to GROUP 13C, Throttle Body ).
  • Air Hose C, Air Pipe B and Air Hose D Installation (Refer to ).
  • Air Cleaner Assembly Installation (Refer to ).
  • Engine Coolant Refilling (Refer to GROUP 14, On-vehicle Service - Engine Coolant Replacement ).
  • Strut Tower Bar Installation (Refer to GROUP 42, Strut Tower Bar ).
  • Cowl Top Panel Installation (Refer to GROUP 42, Loose Panel ) <COLT>.
  • Cowl Top Panel Installation (Refer to GROUP 42, Loose Panel ) <COLT CZ3>.
  • Engine Cover Installation (Refer to GROUP 11E, Camshaft and Valve Stem Seal ).





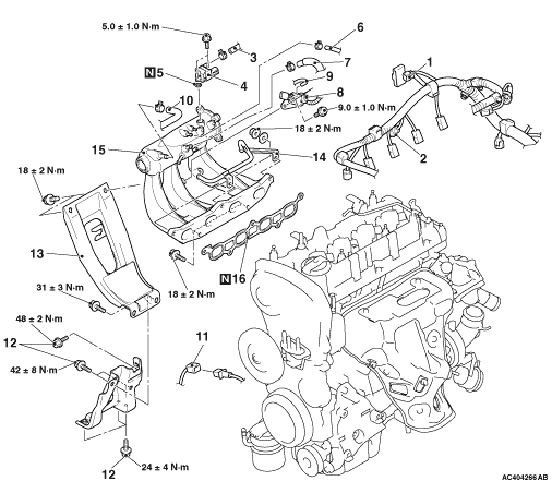
Removal steps


1.
Purge control solenoid valve connector connection


2.
Fuel pressure solenoid valve connector connection


3.
Fuel vapour control hose connection


4.
Purge control solenoid valve


5.
O-ring


6.
Vacuum hose connection


7.
PCV hose connection


8.
Fuel pressure solenoid valve


9.
Vacuum hose connection


10.
Brake booster vacuum hose connection


11.
Detonation sensor connector connection


12.
Bracket connecting bolt


13.
Inlet manifold stay


14.
Cooling water inlet pipe assembly


15.
Inlet manifold


16.
Inlet manifold gasket