OUTPUT CURRENT TEST




This test determines whether the alternator output current is normal.
1.Before the test, always be sure to check the following.

2.Turn the ignition switch to the "LOCK" (OFF) position.
3.Disconnect the negative battery cable.
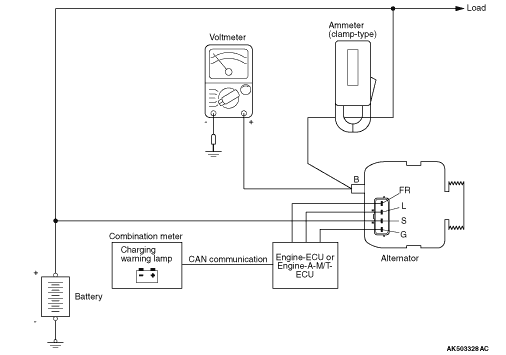
4.Connect a clamp-type DC test ammeter to the alternator "B" terminal output wire.
note The way of disconnecting the alternator output wire and of connecting the ammeter is possibly not found the problem that the output current is dropping due to the insufficient connection between terminal "B" and the output wire.
5.Connect a voltmeter with a range of 0 - 20 V between the alternator "B" terminal and the earth [Connect the (+) lead of the voltmeter to the "B" terminal, and then connect the (-) lead of the voltmeter to the earth].
6.Connect the negative battery cable.
7.Connect the M.U.T.-III
8.Leave the hood open.
9.Check that the reading on the voltmeter is equal to the battery voltage.
note If the voltage is 0 V, the cause is probably an open circuit in the wire or fusible link between the alternator "B" terminal and the battery (+) terminal.
10.Turn the light switch on to turn on headlamps and then start the engine.
11.Immediately after setting the headlamps to high beam and turning the heater blower switch to the high revolution position, increase the engine speed to 2,500 r/min and read the maximum current output value displayed on the ammeter.
Limit: 70 % of normal current output
note
  • For the nominal current output, refer to the Alternator Specifications.
  • Because the current from the battery will soon drop after the engine is started, the above step should be carried out as quickly as possible in order to obtain the maximum current output value.
  • The current output value will depend on the electrical load and the temperature of the alternator body.
  • If the electrical load is small while testing, the specified level of current may not be output even though the alternator is normal. In such cases, increase the electrical load by leaving the headlamps turned on for some time to discharge the battery or by using the lighting system in another vehicle, and then test again.
  • The specified level of current also may not be output if the temperature of the alternator body or the ambient temperature is too high. In such cases, cool the alternator and then test again.
12.The reading on the ammeter should be above the limit value. If the reading is below the limit value and the alternator output wire is normal, remove the alternator from the engine and check the alternator.
13.Run the engine at idle after the test.
14.Turn the ignition switch to the "LOCK" (OFF) position.
15.Disconnect the M.U.T.-III.
16.Disconnect the negative battery cable.
17.Disconnect the ammeter and voltmeter.
18.Connect the negative battery cable.