REGULATED VOLTAGE TEST




This test determines whether the voltage regulator correctly controlling the alternator output voltage.
1.Always be sure to check the following before the test.

2.Turn the ignition switch to the "LOCK" (OFF) position.
3.Disconnect the negative battery cable.
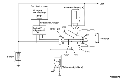
4.Use the special tool Alternator test harness (MB991519) to connect a digital voltmeter between the alternator "S" terminal and earth [Connect the (+) lead of the voltmeter to the "S" terminal, and then connect the (-) lead of the voltmeter to a secure earth or to the battery (-) terminal].
5.Connect a clamp-type DC test ammeter to the alternator "B" terminal output wire.
note The way of disconnecting the alternator output wire and of connecting the ammeter is possibly not found the problem that the output current is dropping due to the insufficient connection between terminal "B" and the output wire.
6.Reconnect the negative battery cable.
7.Connect the M.U.T.-III
8.Turn the ignition switch to the "ON" position and check that the reading on the voltmeter is equal to the battery voltage.
note If the voltage is 0 V, the cause is probably an open circuit in the wire or fusible link between the alternator "S" terminal and the battery (+) terminal.
9.Turn all lamps and accessories off.
10.Start the engine.
11.Increase the engine speed to 2,500 r/min.
12.Read the value displayed on the voltmeter when the alternator output current alternator becomes 15 A or less.
13.If the voltage reading conforms to the value in the voltage regulation table, then the voltage regulator is operating normally.
If the voltage is not within the standard value, there is a malfunction of the voltage regulator or of the alternator.
14.After the test, lower the engine speed to the idle speed.
15.Turn the ignition switch to the "LOCK" (OFF) position.
16.Disconnect the M.U.T.-III.
17.Disconnect the negative battery cable.
18.Disconnect the ammeter and voltmeter.
19.Remove the special tool, and return the connector to the original condition.
20.Connect the negative battery cable.

Voltage Regulation Table



STANDARD VALUE:
Inspection terminal
Voltage regulator ambient temperature °C
Voltage V
Terminal "S"
-20
14.2 - 15.4
20
13.9 - 14.9
60
13.4 - 14.6
80
13.1 - 14.5