REMOVAL AND INSTALLATION <4G1>



<Front catalytic converter>






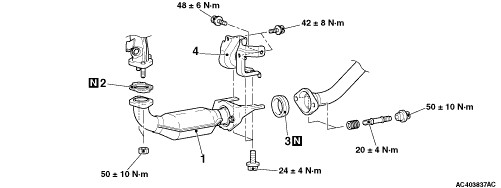
Removal steps
<<A>>

·
Front bumper clip


1.
Front catalytic converter assembly


2.
Gasket


3.
Seal ring


4.
Bracket

REMOVAL SERVICE POINT



<<A>> FRONT BUMPER CLIP REMOVAL


For adoption of the under cover integrated with the front bumper assembly, remove the six front bumper clips, and lift the under cover part of front bumper assembly downward.

1.Remove the six front bumper clips shown in the figure.

2.Lift the under cover part of front bumper assembly downward.

<Rear catalytic converter>


The rear catalytic converter is integrated with the centre exhaust pipe. The removal and installation is the same as the centre exhaust pipe (Refer to GROUP 15 - Exhaust Pipe and Main Muffler ).