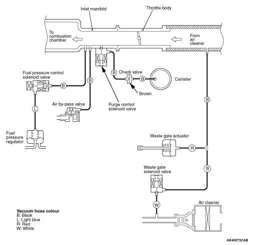
VACUUM CIRCUIT DIAGRAM


<134, 135, 3A9, 4A9>

<4G1>