GENERAL INFORMATION



The emission control system is basically the same as that of the 134, 135, 4G1 engine used in the 2008 COLT.

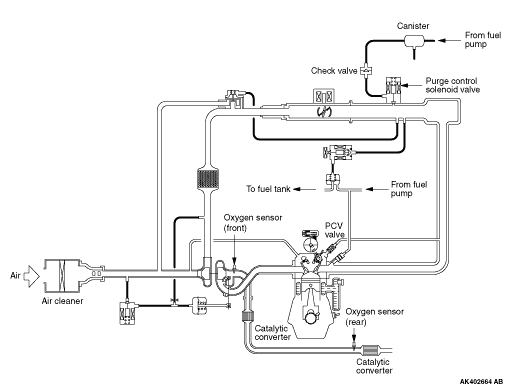
EMISSION CONTROL SYSTEM DIAGRAM


<134, 135>

<4G1>


System
Composition parts
Crankcase ventilation system
Positive crankcase ventilation (PCV) valve
Evaporative emission control system
Canister
Purge control solenoid valve
Exhaust emission control system
Catalytic converter
Catalyst case
Monolith catalyst
Air-fuel ratio feedback control
Manifold absolute pressure sensor <134, 135>
Oxygen sensor
Crank angle sensor etc.