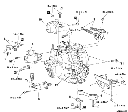
REMOVAL AND INSTALLATION



<Except for 4G1>


caution
  • *: Indicates parts which should be temporarily tightened, and then fully tightened after installing the engine into the vehicle.
  • After the replacement of the transmission assembly, learn the neutral position using M.U.T.-III. (Refer to GROUP 00, Precautions before Service - Learning Procedure for Neutral Position .) <Vehicles with AS&G system>
Pre-removal and Post-installation Operation
  • Transmission Oil Draining and Supplying (Refer to ).
  • Front Bumper Assembly Removal and Installation (Refer to GROUP 51 ).
  • Headlamp Support Side <RH> Removal and Installation (Refer to GROUP 42, Loose Panel <COLT> or <COLT-CZ3>).
  • Washer Tank Removal and Installation (Refer to GROUP 51, Windshield Washer ).
  • Hood Removal and Installation (Refer to GROUP 42 ).
  • Air Cleaner assembly Removal and Installation (Refer to GROUP 15, Air Cleaner ).
  • Battery and Battery Tray Removal and Installation.
  • Cowl Top Panel Removal and Installation (Refer to GROUP 42, Loose Panel <COLT> or <COLT-CZ3>).
  • Drive Shaft Removal and Installation (Refer to GROUP 26 ).





Removal steps
<<A>>

·
Front bumper clip


1.
Detonation sensor connector


2.
Engine oil pressure switch connector


3.
Electronic control throttle body assembly connector


4.
Engine coolant temperature sensor connector


5.
Purge control solenoid valve connector


6.
Starter connector and terminal


7.
Back-up lamp switch connector


8.
Neutral position sensor connector
<<B>>

9.
Transmission control cable connection


10.
Starter


11.
Transmission assembly upper part mounting bolts


·
Front exhaust pipe connection (Refer to GROUP 15 ).


12.
Clutch release cylinder connection


13.
Bell housing cover


14.
Engine mounting stay


15.
Engine roll stopper rod assembly
<<C>>

·
Engine and transmission assembly supporting
<<C>>

16.
Transmission mounting insulator
<<D>>

·
Engine assembly supporting


17.
Transmission assembly lower part mounting bolts


18.
Transmission assembly

<4G1>


caution *: Indicates parts which should be temporarily tightened, and then fully tightened after installing the engine into the vehicle.
Pre-removal and Post-installation Operation
  • Transmission Oil Draining and Supplying (Refer to ).
  • Front Bumper Assembly Removal and Installation (Refer to GROUP 51 ).
  • Headlamp Support Side <RH> Removal and Installation (Refer to GROUP 42, Loose Panel <COLT> or <COLT-CZ3>).
  • Washer Tank Removal and Installation (Refer to GROUP 51, Windshield Washer ).
  • Hood Removal and Installation (Refer to GROUP 42 ).
  • Air Cleaner assembly Removal and Installation (Refer to GROUP 15, Air Cleaner ).
  • Battery and Battery Tray Removal and Installation.
  • Cowl Top Panel Removal and Installation (Refer to GROUP 42, Loose Panel <COLT> or <COLT-CZ3>).
  • Drive Shaft Removal and Installation (Refer to GROUP 26 ).
  • Intercooler Assembly Removal and Installation (Refer to GROUP 15 ).





Removal steps
<<A>>

·
Front bumper clip


1.
Starter connector and terminal


2.
Back-up lamp switch connector
<<B>>

3.
Transmission control cable connection


4.
Starter


5.
Transmission assembly upper part mounting bolts


·
Front exhaust pipe connection (Refer to GROUP 15 ).


6.
Clutch release cylinder connection


7.
Transmission stay


8.
Engine mounting stay


9.
Engine roll stopper rod assembly
<<C>>

·
Engine and transmission assembly supporting
<<C>>

10.
Transmission mounting insulator
<<D>>

·
Engine assembly supporting


11.
Transmission assembly lower part mounting bolts


12.
Transmission assembly

REMOVAL SERVICE POINTS



<<A>> FRONT BUMPER CLIP REMOVAL


For adoption of the under cover integrated with the front bumper assembly, remove the six front bumper clips, and lift the under cover part of front bumper assembly downward.

1.Remove the six front bumper clips shown in the figure.

2.Lift the under cover part of front bumper assembly downward.

<<B>> GEARSHIFT CABLE/SELECT CABLE (TRANSMISSION SIDE) DISCONNECTION


caution Be careful not to damage the connection of the gearshift and select cables when disconnecting them. Do not reuse gearshift and select cables, if they are damaged.


Using the clip remover (special tool: MB992277), disconnect the joint between the lever of the transmission assembly and the gear shift cable and the joint between the lever of the transmission assembly and the select cable.

<<C>> ENGINE AND TRANSMISSION ASSEMBLY SUPPORTING/TRANSMISSION MOUNTING INSULATOR REMOVAL



While supporting the engine and transmission assembly with a garage jack, remove the transmission mounting insulator.

<<D>> ENGINE ASSEMBLY SUPPORTING



caution Wrap a protective tape to avoid damage to the windshield.




1.<Engine hanger (special tool MB991895) is used>
(1) Remove the hook from the front side of engine hanger (special tool MB991895), and install engine hanger attachment (special tool MB991924) instead.
(2) Set the hook at the rear side of engine hanger (special tool MB991895) to the front strut mounting nut.
(3) Set engine hanger attachment (special tool MB991924) to the front side member welded part.
(4) Attach the chain of engine hanger (special tool MB991895) to the engine assembly to support the engine and transmission assembly. <Except for 4G1>
Attach the chain of engine hanger (special tool MB991895) to the hanger (special tool MB991527) to support the engine and transmission assembly. <4G1>




2.<Engine hanger (special tool MB991928) is used>
(1) Assemble the engine hanger (special tool MB991928). Set following parts to the base hanger.

  • Slide bracket (HI)
  • Engine hanger attachment (special tool MB991925) <Front side>
  • Foot (short) (special tool MB991933) <Rear side>
  • Joint (50) (special tool MB991929) <Rear side>
(2) Set the foot (special tool MB991933) at the rear side of engine hanger (special tool MB991928) to the front strut mounting nut.
(3) Set engine hanger attachment (special tool MB991925) to the front side member welded part.
(4) Attach the chain of engine hanger (special tool MB991928) to the engine assembly to support the engine and transmission assembly. <Except for 4G1>
Attach the chain of engine hanger (special tool MB991928) to the hanger (special tool MB991527) to support the engine and transmission assembly. <4G1>