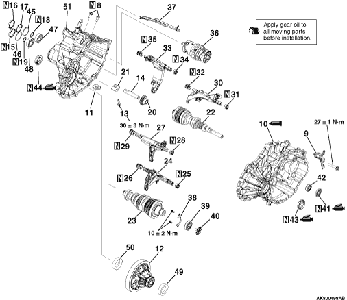
DISASSEMBLY AND REASSEMBLY







Disassembly steps


1.
Input speed sensor


2.
Cable bracket


3.
Corrugate clamp bracket


4.
Drum position sensor


5.
Seal cap vent

>>J<<
6.
Shift actuator unit


7.
Cable bracket




Disassembly steps


8.
Detent


9.
Control harness bracket


10.
Clutch housing


11.
Magnet


12.
Differential assembly


13.
Screw


14.
Reverse gear axle


15.
Rudder cap


16.
Rudder cap


17.
Oil spout
<<A>>

18.
Snap ring
<<A>>

19.
Snap ring
<<B>>

20.
Reverse idle gear
<<B>>

21.
Fixing bracket
<<B>>

22.
Input shaft assembly
<<B>>

23.
Output shaft assembly
<<B>>

24.
Shift fork 2/4 Cpl.
<<B>>

25.
Guide bush
<<B>>

26.
Guide bush with groove
<<B>>

27.
Shift fork 1/3 Cpl.
<<B>>

28.
Guide bush
<<B>>

29.
Guide bush with groove
<<B>>

30.
Shift fork 5/6 Cpl.
<<B>>

31.
Guide bush
<<B>>

32.
Guide bush with groove
<<B>>

33.
Shift fork reverse
<<B>>

34.
Guide bush
<<B>>

35.
Guide bush with groove
<<B>>

36.
Shift drum assembly


37.
Oil channel


38.
Fixing plate


39.
Output shaft roller bearing


40.
Oil spout
<<D>>

41.
Input shaft seal
<<D>>

42.
Input shaft roller bearing


43.
Seal ring


44.
Seal ring
<<E>>

45.
Snap ring
<<E>>

46.
Snap ring
<<F>>

47.
Ball bearing
<<F>>

48.
Ball bearing
<<G>>

49.
Tapered roller bearing outer race
<<G>>

50.
Tapered roller bearing outer race


51.
Transmission case



Reassembly steps


51.
Transmission case

>>A<<
50.
Tapered roller bearing outer race

>>A<<
49.
Tapered roller bearing outer race

>>B<<
44.
Seal ring

>>B<<
43.
Seal ring

>>C<<
42.
Input shaft roller bearing

>>D<<
41.
Input shaft seal


40.
Oil spout


39.
Output shaft roller bearing


38.
Fixing plate


37.
Oil channel

>>F<<
23.
Output shaft assembly

>>F<<
22.
Input shaft assembly

>>F<<
32.
Guide bush with groove

>>F<<
31.
Guide bush

>>F<<
30.
Shift fork 5/6 Cpl.

>>F<<
29.
Guide bush with groove

>>F<<
28.
Guide bush

>>F<<
27.
Shift fork 1/3 Cpl.

>>F<<
26.
Guide bush with groove

>>F<<
25.
Guide bush

>>F<<
24.
Shift fork 2/4 Cpl.

>>F<<
35.
Guide bush with groove

>>F<<
34.
Guide bush

>>F<<
33.
Shift fork reverse

>>F<<
36.
Shift drum assembly

>>F<<
20.
Reverse idle gear

>>F<<
21.
Fixing bracket

>>F<<
14.
Reverse gear axle

>>F<<
13.
Screw

>>F<<
48.
Ball bearing

>>F<<
47.
Ball bearing

>>F<<
46.
Snap ring

>>F<<
45.
Snap ring

>>G<<
19.
Snap ring

>>G<<
18.
Snap ring


17.
Oil spout

>>H<<
16.
Rudder cap

>>H<<
15.
Rudder cap


12.
Differential assembly


11.
Magnet

>>I<<
10.
Clutch housing


9.
Control harness bracket


8.
Detent

DISASSEMBLY SERVICE POINT



<<A>> SNAP RING REMOVAL




Remove the snap ring.

<<B>> REVERSE IDLE GEAR / FIXING BRACKET / INPUT SHAFT ASSEMBLY / OUTPUT SHAFT ASSEMBLY / SHIFT FORK 2/4 ASSEMBLY / SHIFT FORK 1/3 ASSEMBLY / SHIFT FORK 5/6 / SHIFT FORK REVERSE / SHIFT DRUM ASSEMBLY REMOVAL


warning Please pay special attention that the reverse idle gear, fixing bracket, input shaft assembly, output shaft assembly, shift fork 2/4 assembly, shift fork 1/3 assembly and shift fork 5/6 assembly, shift fork reverse assembly and shift drum assembly are removed at the same time.

Pressing the input shaft assembly and the output shaft assembly at the same time, remove them as shown in the illustration.

<<C>> OUTER RING REMOVAL



Using the special tools, support the outer ring and remove the outer ring.

  • Slide hammer (MB990211)
  • Slide hammer puller (MB992039)

<<D>> INPUT SHAFT SEAL / INPUT SHAFT ROLLER BEARING REMOVAL



Using the special tool, Snap ring installer (MD998367), remove the input shaft seal and input shaft roller bearing.

<<E>> SNAP RING REMOVAL




Remove the snap ring.

<<F>> BALL BEARING REMOVAL




Using the special tool, Crankshaft front oil seal installer (MD998717), remove the ball bearing.

<<G>> TAPERED ROLLER BEARING OUTER RACE REMOVAL




Using the special tools, support the tapered roller bearing outer race and remove the tapered roller bearing outer race.

  • Slide hammer (MB990211)
  • Slide hammer puller (MB992039)

REASSEMBLY SERVICE POINT



>>A<< TAPERED ROLLER BEARING OUTER RACE INSTALLATION




Using the special tools, install the tapered roller bearing outer race.

  • Bar (MB992075)
  • Bearing installer (MB992256)

>>B<< SEAL RING INSTALLATION




1.Using the special tools, install the seal ring.

  • Bar (MB992075)
  • Oil seal installer (MB992255)
2.Apply specified grease to the oil seal lip area.
Specified grease: OLISTA LONGTIME 3EP or equivalent

>>C<< INPUT SHAFT ROLLER BEARING INSTALLATION



Using the special tool, Dust cover installer (MB991152), install the input shaft roller bearing.

>>D<< INPUT SHAFT SEAL INSTALLATION



1.Using the special tools, install the input shaft seal.

  • Installer bar (MB990938)
  • Installer adaptor (MB990927)
2.Apply specified grease to the oil seal lip area.
Specified grease: OLISTA LONGTIME 3EP or equivalent

>>E<< OUTER RING INSTALLATION



Using the special tools, install the output shaft seal and tighten the specified torque.

  • Guide pin (MD999551)
  • Crankshaft front oil seal installer (MD998304)
Tightening torque: 10 ± 2 N·m

>>F<< INPUT SHAFT ASSEMBLY / OUTPUT SHAFT ASSEMBLY / SHIFT FORK 5/6 / SHIFT FORK 2/4 ASSEMBLY / SHIFT FORK 1/3 ASSEMBLY / SHIFT FORK REVERSE / SHIFT DRUM ASSEMBLY / REVERSE IDLE GEAR / FIXING BRACKET / REVERSE GEAR AXLE / SCREW / BALL BEARING / SNAP RING INSTALLATION



1.Install the input shaft assembly and output shaft assembly as a set to the clutch housing.

2.Install the shift fork 5/6 assembly as a set to the clutch housing.

3.Slightly lifting the input shaft assembly and the output shaft assembly, install the shift fork 2/4 assembly and the shift fork 1/3 to the clutch housing.

4.Install the shift fork reverse as a set to the clutch housing.

5.Using a tape, fix the input shaft assembly, output shaft assembly, shift fork 5/6, shift fork 2/4 and shift fork 1/3 as shown in the illustration.

6.Slightly lifting the input shaft assembly, output shaft assembly, shift fork 5/6 assembly, shift fork 2/4 assembly and shift fork 1/3 assembly, install the shift drum assembly.


7.Make sure that each fork is in the neutral position. Install the shift drum assembly so that the groove of the shift drum assembly and the projection of the each fork can be positioned in the place shown in the illustration.

8.Install the reverse idle gear as a set to the shift fork reverse.

9.Temporarily install the fixing bracket, reverse gear axle and screw to the transmission case.

10.Aligning the input shaft, output shaft, shift fork 5/6, shift fork 2/4, shift fork 1/3, shift fork reverse, shift drum assembly and transmission case hole, install the transmission case.

11.Tighten the screw at the specified torque.
Tightening torque: 30 ± 3 N·m


12.Using the special tool, Oil seal installer (MD999547), install the ball bearing.


13.Install the snap ring that has selected.
note Try to first install the thicker snap ring to always use the thickest snap ring.

>>G<< SNAP RING INSTALLATION




Install the snap ring.

>>H<< RUDDER CAP INSTALLATION




1.Using the special tool, Drive shaft oil seal installer (MD998803), install the rudder cap.
2.Remove the temporarily installed clutch housing.

>>I<< CLUTCH HOUSING INSTALLATION



1.Apply the specified sealant to transmission case as shown.
Specified sealant: Loctite 5203 or equivalent
2.Install the clutch housing to the transmission case and tighten the specified torque.
Tightening torque: 27 ± 1 N·m

>>J<< SHIFT ACTUATOR UNIT INSTALLATION



1.Apply the specified sealant to transmission case.
Specified sealant: Loctite 5203 or equivalent
2.Install the Shift actuator unit to the transmission case and tighten the specified torque.
Tightening torque: 23 ± 2 N·m