DESCRIPTION OF CONSTRUCTION AND OPERATION



TRACTION CONTROL SYSTEM OPERATION


TCL/ASC-ECU receives various kinds of information from the engine-ECU <M/T> or A-M/T-ECU <automated manual transmission>, steering wheel sensor, G and yaw rate sensor and wheel speed sensor. When TCL/ASC-ECU determines that the driving wheel is slipping, it suppresses the wheel slippage. At this time, TCL/ASC-ECU controls the brake fluid pressure of the driving wheel determined to be slipping so that the torque is transferred to another driving wheel. Basically, the operations of ABS solenoid valve and ASC valve are the same. TCL/ASC-ECU and the engine-ECU <M/T> or A-M/T-ECU <automated manual transmission> communicate with each other via the CAN bus line. When the accelerator pedal is depressed too far, the signal requesting the engine speed reduction is sent to the engine-ECU <M/T> or A-M/T-ECU <automated manual transmission>.

ACTIVE STABILITY CONTROL SYSTEM OPERATION


TCL/ASC-ECU receives various kinds of information from the engine-ECU <M/T> or A-M/T-ECU <automated manual transmission>, ETACS-ECU, steering wheel sensor, G and yaw rate sensor, and wheel speed sensor. When ECU determines the vehicle runs in the oversteer or understeer direction based on the signal sent from these sensors and ECUs, TCL/ASC-ECU drives each valve and pump motor and controls the braking force to be applied to the wheels.
When the system increases the fluid pressure automatically, it closes the cut valve to shut off the pressure line to the suction valve, and drives the pump motor. For example, when the vehicle runs in the understeer direction while turning to the right, TCL/ASC-ECU supplies the brake fluid from the pump to the rear right wheel to apply the braking force on it.
TCL/ASC-ECU, the engine-ECU <M/T> or A-M/T-ECU <automated manual transmission> communicate with each other via CAN. When the accelerator pedal is depressed too far, the signal requesting the engine output reduction is sent to the engine-ECU <M/T> or A-M/T-ECU <automated manual transmission>.

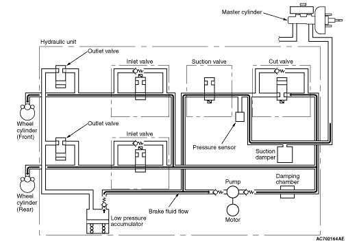
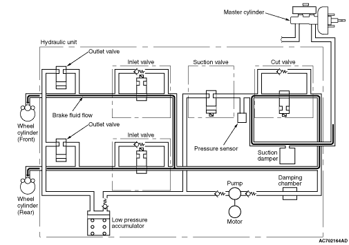
When brake fluid pressure decreases during ABS operation




The brake fluid supplied from the wheel cylinder is stored in the low pressure accumulator. Then, the stored brake fluid is returned to the master cylinder by driving the pump using the motor.

VALVE CONDITION
Item
Power status
Open/Close
Cut valve
OFF
Open
Suction valve
OFF
Closed
Inlet valve
ON
Closed
Outlet valve
ON
Open

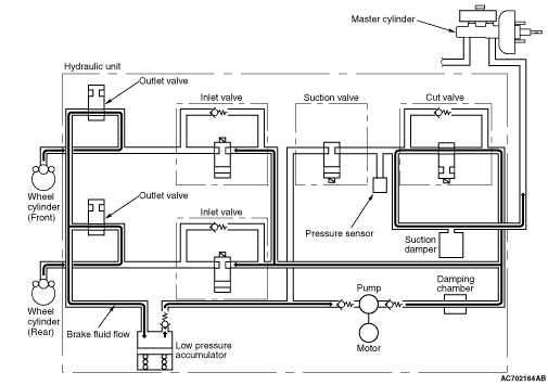
When brake fluid pressure is held by ABS




The system closes the inlet valve and outlet valve to hold the brake fluid pressure in the wheel cylinder. If the brake fluid is stored in the low pressure accumulator, the brake fluid is returned to the master cylinder by driving the pump using the motor.

VALVE CONDITION
Item
Power status
Open/Close
Cut valve
OFF
Open
Suction valve
OFF
Closed
Inlet valve
ON
Closed
Outlet valve
OFF
Closed

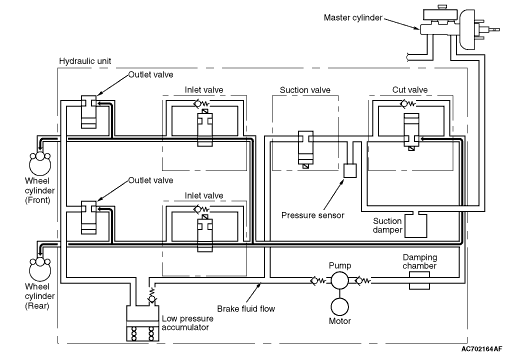
When brake fluid pressure is increased by normal braking or ABS




The system opens the inlet valve while closing the outlet valve to increase the brake fluid pressure in the wheel cylinder.

VALVE CONDITION
Item
Power status
Open/Close
Cut valve
OFF
Open
Suction valve
OFF
Closed
Inlet valve
OFF
Open
Outlet valve
OFF
Closed

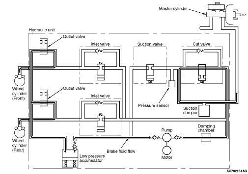
When brake fluid pressure is increased by stability control (or increased by TCL)




The system closes the cut valve to block the passage from the pump outlet to the master cylinder, and opens the suction valve, connecting the passage from the master cylinder to the pump inlet. The brake fluid from the master cylinder is supplied to the wheel cylinder.

VALVE CONDITION
Item
Power status
Open/Close
Cut valve
ON
Closed
Suction valve
ON
Open
Inlet valve*
OFF
Open
Outlet valve*
OFF
Closed
note * The inlet valve and the outlet valve close or open depending on driving conditions to control the brake fluid pressure at each wheel.

When brake fluid pressure is held by stability control (or held by TCL)




The system closes the cut valve, suction valve and outlet valve to hold the brake fluid pressure in the wheel cylinder.

VALVE CONDITION
Item
Power status
Open/Close
Cut valve
ON
Closed
Suction valve
OFF
Closed
Inlet valve*
OFF
Open
Outlet valve*
OFF
Closed
note * The inlet valve and the outlet valve close or open depending on driving conditions to control the brake fluid pressure at each wheel.

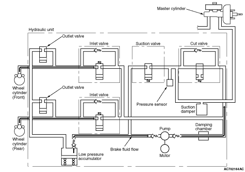
When brake fluid pressure is decreased by stability control (or decreased by TCL)




The system opens the outlet valve while closing the inlet valve to store the brake fluid filled in the wheel cylinder in the low pressure accumulator. The brake fluid stored in the low pressure accumulator returns to the master cylinder through the suction valve.

VALVE CONDITION
Item
Power status
Open/Close
Cut valve
OFF
Open
Suction valve
OFF
Closed
Inlet valve*
ON
Closed
Outlet valve*
ON
Open
note * The inlet valve and the outlet valve close or open depending on driving conditions to control the brake fluid pressure at each wheel.