|
|
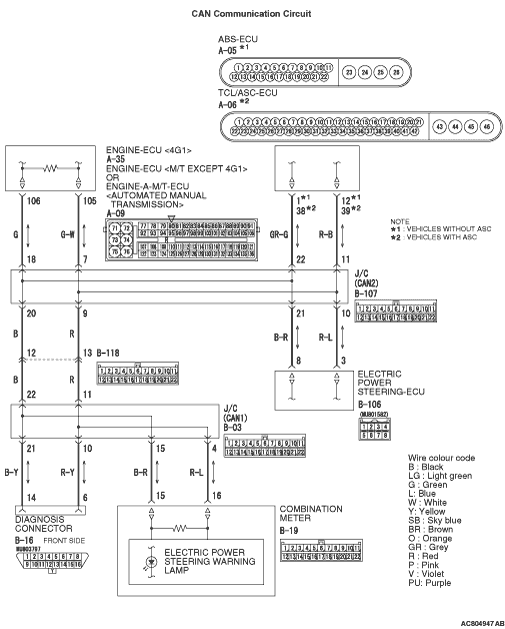
If the M.U.T.-III cannot communicate with the electric power steering system, the CAN
bus lines may be defective. If the electric power steering system does not operate (power assist
is not available), the electric power steering-ECU or its power supply may be defective. This
symptom also appears when an incorrect vehicle model is selected on the M.U.T.-III.
|
|
|
- Defective harness wire(s) or connector(s)
- Malfunction of the electric power steering-ECU
|
|
|
Confirm which vehicle model is selected on the M.U.T.-III vehicle information screen.
|
|
|
Q.
Is the correct vehicle model selected?
|
|
|
Input the vehicle information correctly.
|
|
|
|
|
|
Start the engine and check that the power assist functions.
|
|
|
Q.
Is the check result normal?
|
|
|
Check the ECU power supply circuit system .
|
|
|
|

|
| caution |
Before connecting or disconnecting the M.U.T.-III, turn the ignition switch to the "LOCK"
(OFF) position.
|
(1)Connect M.U.T.-III to the 16-pin diagnosis connector. (2)Turn the ignition switch to the "ON" position. (3)Diagnose the CAN bus line. (4)Turn the ignition switch to the "LOCK" (OFF) position.
Q.
Is the check result normal?
Replace the electric power steering-ECU (Refer to ).
Repair the CAN bus line (Refer to GROUP 54C - CAN bus line Diagnostic
flow ).
|