Inspection Procedure 4: Relevant power window(s) do not work by means of the front and rear passenger’s power window sub switches.



|
|
COMMENTS ON TROUBLE SYMPTOM
|
|
|
If the front passenger’s or rear power window does not work by means of the respective power window sub switch, the power window sub switch or the power window motor may be defective.
|
|
|
PROBABLE CAUSES <LH DRIVE VEHICLES>
|
|
|
- Malfunction of the power window sub switch (front)
- Malfunction of the power window sub switch (rear: RH) or power window sub switch (rear: LH) <Vehicles with rear power window>
- Malfunction of the power window motor (front: RH)
- Malfunction of the power window motor (rear: RH) or power window motor (rear: LH) <Vehicles with rear power window>
- Damaged harness wires and connectors
|
|
|
PROBABLE CAUSES <RH DRIVE VEHICLE>
|
|
|
- Malfunction of the power window sub switch (front)
- Malfunction of the power window sub switch (rear: RH) or power window sub switch (rear: LH) <Vehicles with rear power window>
- Malfunction of the power window motor (front: LH)
- Malfunction of the power window motor (rear: RH) or power window motor (rear: LH) <Vehicles with rear power window>
- Damaged harness wires and connectors
|
|
|
STEP 1. Check the power window main switch.
|
|
|
Check that the power window lock switch is turned off.
|
|
|
Q.
Is the check result normal?
|
|
|
Go to Step 2.
|
|
|
|
|
|
Turn off the power window lock switch.
|
|
|
|
|
|
STEP 2. Determine a trouble spot.
|
|
|
Q.
Which power window does not work?
|
|
|
Front passenger’s door <LH drive vehicles> : Go to Step 3.
|
|
|
|
|
|
Front passenger’s door <RH drive vehicles> : Go to Step 12.
|
|
|
|
|
|
Rear right door <Vehicles with rear power window> : Go to Step 21.
|
|
|
|
|
|
Rear left door <Vehicles with rear power window> : Go to Step 30.
|
|
|
|
|
|
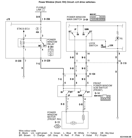
STEP 3. Connector check: D-14 power window sub switch (front) connector
|

|
Q.
Is the check result normal?
Go to Step 4.
Repair the connector.
|
|
|
STEP 4. Check the power window sub switch (front)
|
|
|
Check that the power window sub switch (front) works normally. Refer to <COLT> or <COLT CZ3>.
|
|
|
Q.
Is the check result normal?
|
|
|
Go to Step 5.
|
|
|
|
|
|
Replace the power window sub switch (front).
|
|
|
|
|
|
STEP 5. Voltage measurement at the D-14 power window sub switch (front) connector.
|

|
(1)Disconnect the connector, and measure at the wiring harness side. (2)Turn the ignition switch to the ON position.
|

|
(3)Check the voltage between the D-14 power window sub switch (front) connector terminal No.6 and body earth. OK: System voltage
Q.
Is the check result normal?
Go to Step 8.
Go to Step 6.
|
|
|
STEP 6. Connector check: B-201 power window relay connector
|

|
Q.
Is the check result normal?
Go to Step 7.
Repair the connector.
|
|
|
STEP 7. Check the wiring harness from D-14 power window sub switch (front) connector terminal No.6 to B-201 power window relay connector terminal No.4.
|


|
| note |
Prior to the wiring harness inspection, check intermediate connectors B-104 and junction block connector B-229, and repair if necessary.
|
- Check the power supply line for open circuit.
Q.
Is the check result normal?
The trouble can be an intermittent malfunction (Refer to GROUP 00, How to use Troubleshooting/inspection Service Points - How to Cope with Intermittent Malfunction ).
Repair the wiring harness.
|
|
|
STEP 8. Connector check: D-13 power window motor (front: RH) connector
|

|
Q.
Is the check result normal?
Go to Step 9.
Repair the connector.
|
|
|
STEP 9. Check the power window motor (front: RH)
|
|
|
Check that the power window motor (front: RH) works normally. Refer to <COLT> or <COLT CZ3>.
|
|
|
Q.
Is the check result normal?
|
|
|
Go to Step 10.
|
|
|
|
|
|
Replace the power window motor (front: RH).
|
|
|
|
|
|
STEP 10. Check the wiring harness from D-13 power window motor (front: RH) connector terminal Nos. 1 and 2 to D-14 power window sub switch (front) connector terminal Nos. 7 and 4.
|

|
- Check the input and output lines for open or short circuit.
Q.
Is the check result normal?
Go to Step 11.
Repair the wiring harness.
|
|
|
STEP 11. Retest the system.
|
|
|
(1)Replace the power window sub switch (front).
|
|
|
(2)Check that the front passenger’s door power window can be operated by the power window sub switch (front).
|
|
|
Q.
Is the check result normal?
|
|
|
The trouble can be an intermittent malfunction (Refer to GROUP 00, How to use Troubleshooting/inspection Service Points - How to Cope with Intermittent Malfunction ).
|
|
|
|
|
|
Replace the power window motor assembly (front: RH).
|
|
|
|
|
|
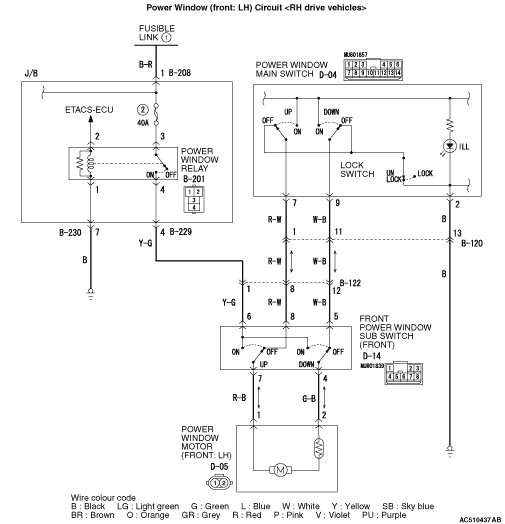
STEP 12. Connector check: D-14 power window sub switch (front) connector
|

|
Q.
Is the check result normal?
Go to Step 13.
Repair the connector.
|
|
|
STEP 13. Check the power window sub switch (front)
|
|
|
Check that the power window sub switch (front) works normally. Refer to <COLT> or <COLT CZ3>.
|
|
|
Q.
Is the check result normal?
|
|
|
Go to Step 14.
|
|
|
|
|
|
Replace the power window sub switch (front).
|
|
|
|
|
|
STEP 14. Voltage measurement at the D-14 power window sub switch (front) connector.
|

|
(1)Disconnect the connector, and measure at the wiring harness side. (2)Turn the ignition switch to the ON position.
|

|
(3)Check the voltage between the D-14 power window sub switch (front) connector terminal No.6 and body earth. OK: System voltage
Q.
Is the check result normal?
Go to Step 17.
Go to Step 15.
|
|
|
STEP 15. Connector check: B-201 power window relay connector
|

|
Q.
Is the check result normal?
Go to Step 16.
Repair the connector.
|
|
|
STEP 16. Check the wiring harness from D-14 power window sub switch (front) connector terminal No.6 to B-201 power window relay connector terminal No.4.
|


|
| note |
Prior to the wiring harness inspection, check intermediate connectors B-122 and junction block connector B-229, and repair if necessary.
|
- Check the power supply line for open circuit.
Q.
Is the check result normal?
The trouble can be an intermittent malfunction (Refer to GROUP 00, How to use Troubleshooting/inspection Service Points - How to Cope with Intermittent Malfunction ).
Repair the wiring harness.
|
|
|
STEP 17. Connector check: D-05 power window motor (front: LH) connector
|

|
Q.
Is the check result normal?
Go to Step 18.
Repair the connector.
|
|
|
STEP 18. Check the power window motor (front: LH)
|
|
|
Check that the power window motor (front: LH) works normally. Refer to <COLT> or <COLT CZ3>.
|
|
|
Q.
Is the check result normal?
|
|
|
Go to Step 19.
|
|
|
|
|
|
Replace the power window motor (front: LH).
|
|
|
|
|
|
STEP 19. Check the wiring harness from D-05 power window motor (front: LH) connector terminal Nos. 1 and 2 to D-14 power window sub switch (front) connector terminal Nos. 7 and 4.
|

|
- Check the input and output lines for open or short circuit.
Q.
Is the check result normal?
Go to Step 20.
Repair the wiring harness.
|
|
|
STEP 20. Retest the system.
|
|
|
(1)Replace the power window sub switch (front).
|
|
|
(2)Check that the front passenger’s door power window can be operated by the power window sub switch (front).
|
|
|
Q.
Is the check result normal?
|
|
|
The trouble can be an intermittent malfunction (Refer to GROUP 00, How to use Troubleshooting/inspection Service Points - How to Cope with Intermittent Malfunction ).
|
|
|
|
|
|
Replace the power window motor assembly (front: LH).
|
|
|
|
|
|
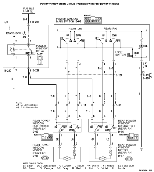
STEP 21. Connector check: D-16 power window sub switch (rear: RH) connector
|

|
Q.
Is the check result normal?
Go to Step 22.
Repair the connector.
|
|
|
STEP 22. Check the power window sub switch (rear: RH)
|
|
|
Check that the power window sub switch (rear: RH) works normally. Refer to .
|
|
|
Q.
Is the check result normal?
|
|
|
Go to Step 23.
|
|
|
|
|
|
Replace the power window sub switch (rear: RH).
|
|
|
|
|
|
STEP 23. Voltage measurement at the D-16 power window sub switch (rear: RH) connector.
|

|
(1)Disconnect the connector, and measure at the wiring harness side. (2)Turn the ignition switch to the ON position.
|

|
(3)Check the voltage between the D-16 power window sub switch (rear: RH) connector terminal No.6 and body earth. OK: System voltage
Q.
Is the check result normal?
Go to Step 26.
Go to Step 24.
|
|
|
STEP 24. Connector check: B-201 power window relay connector
|


|
Q.
Is the check result normal?
Go to Step 25.
Repair the connector.
|
|
|
STEP 25. Check the wiring harness from D-16 power window sub switch (rear: RH) connector terminal No.6 to B-201 power window relay connector terminal No.4.
|



|
| note |
Prior to the wiring harness inspection, check intermediate connectors C-33 and junction block connector B-229, and repair if necessary.
|
- Check the power supply line for open circuit.
Q.
Is the check result normal?
The trouble can be an intermittent malfunction (Refer to GROUP 00, How to use Troubleshooting/inspection Service Points - How to Cope with Intermittent Malfunction ).
Repair the wiring harness.
|
|
|
STEP 26. Connector check: D-17 power window motor (rear: RH) connector
|

|
Q.
Is the check result normal?
Go to Step 27.
Repair the connector.
|
|
|
STEP 27. Check the power window motor (rear: RH)
|
|
|
Check that the power window motor (rear: RH) works normally. Refer to .
|
|
|
Q.
Is the check result normal?
|
|
|
Go to Step 28.
|
|
|
|
|
|
Replace the power window motor (rear: RH).
|
|
|
|
|
|
STEP 28. Check the wiring harness from D-17 power window motor (rear: RH) connector terminal Nos. 1 and 2 to D-16 power window sub switch (rear: RH) connector terminal Nos. 7 and 4.
|

|
- Check the input and output lines for open or short circuit.
Q.
Is the check result normal?
Go to Step 29.
Repair the wiring harness.
|
|
|
STEP 29. Retest the system.
|
|
|
(1)Replace the power window sub switch (rear: RH).
|
|
|
(2)Check that the rear right door power window can be operated by the power window sub switch (rear: RH).
|
|
|
Q.
Is the check result normal?
|
|
|
The trouble can be an intermittent malfunction (Refer to GROUP 00, How to use Troubleshooting/inspection Service Points - How to Cope with Intermittent Malfunction ).
|
|
|
|
|
|
Replace the power window motor assembly (rear: RH).
|
|
|
|
|
|
STEP 30. Connector check: D-02 power window sub switch (rear: LH) connector
|

|
Q.
Is the check result normal?
Go to Step 31.
Repair the connector.
|
|
|
STEP 31. Check the power window sub switch (rear: LH)
|
|
|
Check that the power window sub switch (rear: LH) works normally. Refer to .
|
|
|
Q.
Is the check result normal?
|
|
|
Go to Step 32.
|
|
|
|
|
|
Replace the power window sub switch (rear: LH).
|
|
|
|
|
|
STEP 32. Voltage measurement at the D-02 power window sub switch (rear: LH) connector.
|

|
(1)Disconnect the connector, and measure at the wiring harness side. (2)Turn the ignition switch to the ON position.
|

|
(3)Check the voltage between the D-02 power window sub switch (rear: LH) connector terminal No.6 and body earth. OK: System voltage
Q.
Is the check result normal?
Go to Step 35.
Go to Step 33.
|
|
|
STEP 33. B-201 power window relay connector
|


|
Q.
Is the check result normal?
Go to Step 34.
Repair the connector.
|
|
|
STEP 34. Check the wiring harness from D-02 power window sub switch (rear: LH) connector terminal No.6 to B-201 power window relay connector terminal No.4.
|



|
| note |
Prior to the wiring harness inspection, check intermediate connectors C-14 and junction block connector B-229, and repair if necessary.
|
- Check the power supply line for open circuit.
Q.
Is the check result normal?
The trouble can be an intermittent malfunction (Refer to GROUP 00, How to use Troubleshooting/inspection Service Points - How to Cope with Intermittent Malfunction ).
Repair the wiring harness.
|
|
|
STEP 35. Connector check: D-01 power window motor (rear: LH) connector
|

|
Q.
Is the check result normal?
Go to Step 36.
Repair the connector.
|
|
|
STEP 36. Check the power window motor (rear: RH)
|
|
|
Check that the power window motor (rear: RH) works normally. Refer to .
|
|
|
Q.
Is the check result normal?
|
|
|
Go to Step 37.
|
|
|
|
|
|
Replace the power window motor (rear: RH).
|
|
|
|
|
|
STEP 37. Check the wiring harness from D-01 power window motor (rear: LH) connector terminal Nos. 1 and 2 to D-02 power window sub switch (rear: LH) connector terminal Nos. 7 and 4.
|

|
- Check the input and output lines for open or short circuit.
Q.
Is the check result normal?
Go to Step 38.
Repair the wiring harness.
|
|
|
STEP 38. Retest the system.
|
|
|
(1)Replace the power window sub switch (rear: LH).
|
|
|
(2)Check that the rear left door power window can be operated by the power window sub switch (rear: LH).
|
|
|
Q.
Is the check result normal?
|
|
|
The trouble can be an intermittent malfunction (Refer to GROUP 00, How to use Troubleshooting/inspection Service Points - How to Cope with Intermittent Malfunction ).
|
|
|
|
|
|
Replace the power window motor (rear: LH).
|
|
|
|