

|
| caution |
The strand end of the twist wire should be within 10 cm from the connector. For details refer to .
|
|

|
When checking the joint connector, ensure that its wiring harness side and its short pins are not damaged.
Q.
Are the check results normal?
Go to Step 2.
Repair a defective connector or replace the joint connector.
|


|
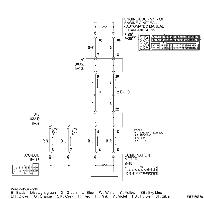
(1)Disconnect the joint connector (CAN1) and the A/C-ECU connector, and measure at the wiring harness side. (2)Ignition switch: OFF (LOCK) (3)
| caution |
When measuring the resistance, disconnect the negative battery terminal. For details refer to .
|
Ensure that the negative battery terminal is disconnected.
|

|
(4)Continuity between B-03 joint connector (CAN1) terminal No.6 and B-113 A/C-ECU connector terminal No.6 <L.H. drive vehicles> OK: 2 ohms or less
|

|
(5)Continuity between B-03 joint connector (CAN1) terminal No.17 and B-113 A/C-ECU connector terminal No.7 <L.H. drive vehicles> OK: 2 ohms or less
|

|
(6)Continuity between B-03 joint connector (CAN1) terminal No.3 and B-113 A/C-ECU connector terminal No.6 <R.H. drive vehicles> OK: 2 ohms or less
|

|
(7)Continuity between B-03 joint connector (CAN1) terminal No.14 and B-113 A/C-ECU connector terminal No.7 <R.H. drive vehicles> OK: 2 ohms or less
| caution |
Strictly observe the specified wiring harness repair procedure. For details refer to .
|
Q.
Are the check results normal?
<All the resistances measure 2 Ω or less> Power supply to the A/C-ECU may be suspected. Diagnose the A/C system. Refer to .
<Either or all of the voltages measure more than 2 Ω> Repair the wiring harness between the joint connector (CAN1) and the A/C-ECU connector.
|