RADIO WITH CD PLAYER, ANTENNA, SPEAKER



CONSTRUCTION DIAGRAM





note The * indicates equipped on the left and right sides.

RADIO WITH CD PLAYER


The following functions are installed an options. The CD player can play MP3.

SPECIFICATION


Item
LW/MW/FM electronic tuning radio with CD player
Power amplifier with radio
General 140 W
RDS (radio data system) function
Available
SCV (Speed Compensated Volume)
Available
CONSTRUCTION DIAGRAM


MODE/SET button


By pressing the "MODE/SET" button on the radio with CD player, the fuel consumption information is displayed on the LCD of the combination meter. For details of the display, refer to the combination meter .

REMOTE CONTROLLED RADIO SWITCH



The remote controlled radio switch is installed on the back of steering wheel so that the driver can control the audio while holding the steering wheel during driving.

SPEAKER



SPECIFICATION


Location
Four speakers <option>
Six speakers <Standard: M-line, Option: Except for M-line>
Front door
-
Equipped (tweeter - 3.5 cm)
Equipped (dual cone full range - 13 cm)
Equipped (dual cone full range - 13 cm)
Rear door <COLT>
Equipped (dual cone full range - 13 cm)
Equipped (dual cone full range - 13 cm)
Rear quarter <COLT CZ3/CZT>

ANTENNA


Featuring a roof antenna.

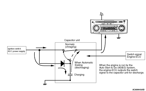
CAPACITOR UNIT <VEHICLE WITH AS&G System>


The capacitor unit is equipped to prevent the ignition switch ACC power supply voltage drop of the radio with CD player which is caused by cranking when the automatic start is performed from the idling stop status, using electricity charged from the ignition switch ACC power supply.


To the capacitor unit, the engine-ECU outputs the switch signal to switch between charging and discharging. As for the operating condition of the Auto Stop & Go (AS&G) System of the engine-ECU, refer to GROUP 13A - AUTO STOP & GO (AS&G) SYSTEM .