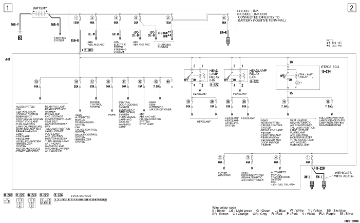
POWER DISTRIBUTION SYSTEM






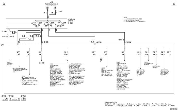
POWER DISTRIBUTION SYSTEM (CONTINUED)





POWER DISTRIBUTION SYSTEM (CONTINUED)