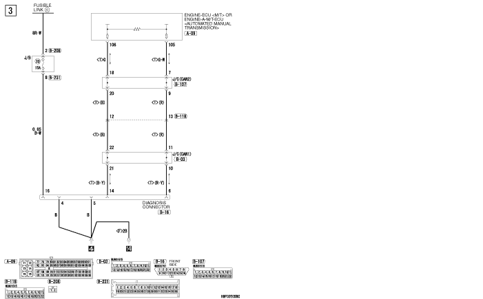
STARTING SYSTEM <134, 3A9, 135, 4A9 (VEHICLES WITHOUT AS&G)>






STARTING SYSTEM <134, 3A9, 135, 4A9 (VEHICLES WITHOUT AS&G)> (CONTINUED)