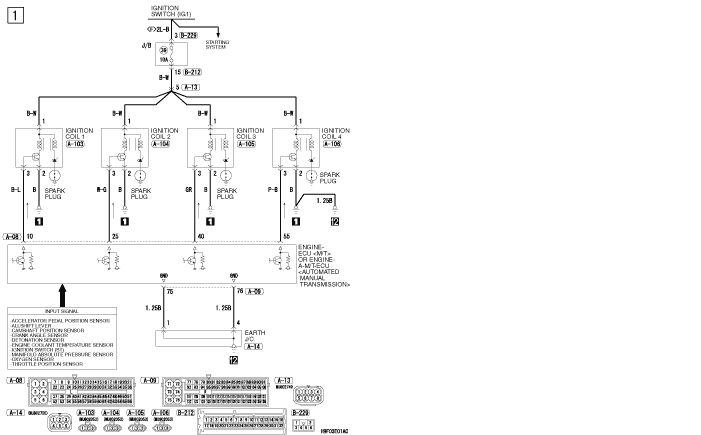
IGNITION SYSTEM <135>