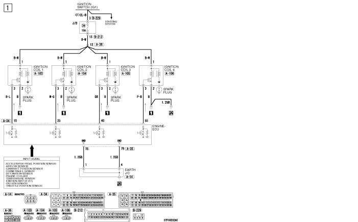
IGNITION SYSTEM <4G1>