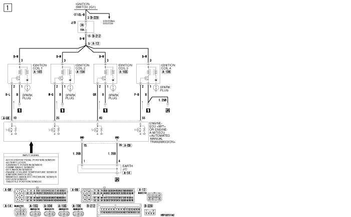
IGNITION SYSTEM <4A9>