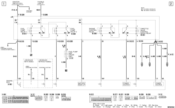
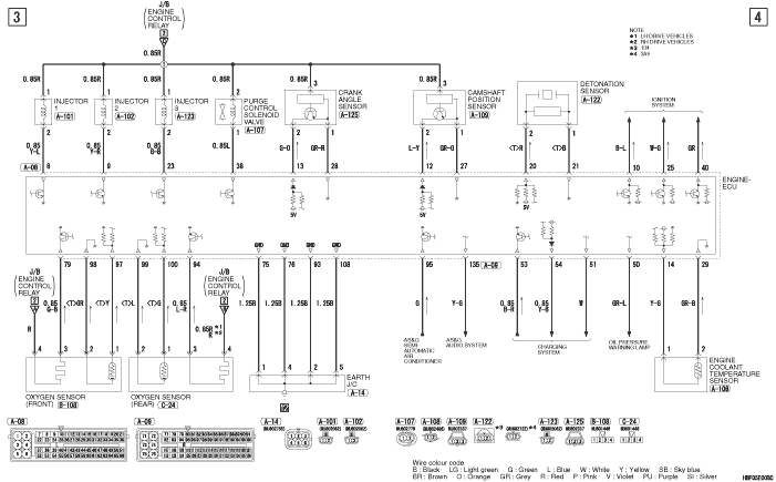
ENGINE CONTROL SYSTEM <134, 3A9>
ENGINE CONTROL SYSTEM <134, 3A9> (CONTINUED)
ENGINE CONTROL SYSTEM <134, 3A9> (CONTINUED)
ENGINE CONTROL SYSTEM <134, 3A9> (CONTINUED)