ENGINE CONTROL SYSTEM <135, 4A9>






ENGINE CONTROL SYSTEM <135, 4A9> (CONTINUED)





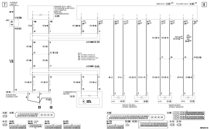
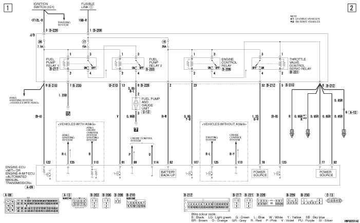
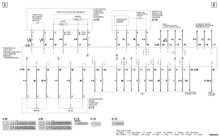
ENGINE CONTROL SYSTEM <135, 4A9> (CONTINUED)





ENGINE CONTROL SYSTEM <135, 4A9> (CONTINUED)