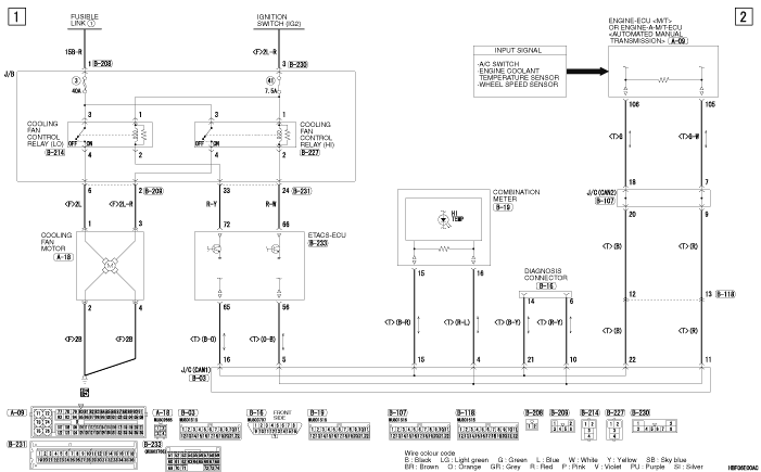
COOLING SYSTEM <134, 3A9, 135, 4A9>