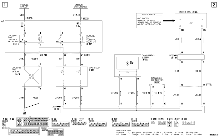
COOLING SYSTEM <4G1>