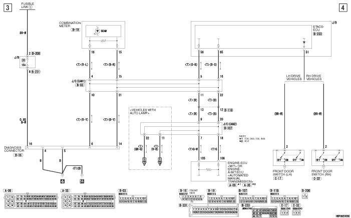
HEADLAMP






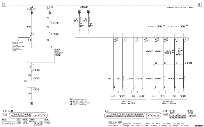
HEADLAMP (CONTINUED)





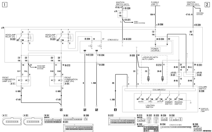
HEADLAMP (CONTINUED)