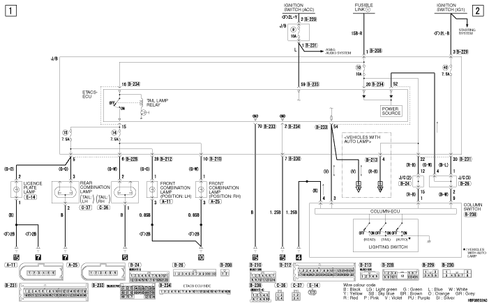
TAIL LAMP, POSITION
LAMP, LICENCE PLATE LAMP AND LIGHTING MONITOR BUZZER <COLT CZ3>

TAIL LAMP, POSITION LAMP, LICENCE PLATE LAMP AND LIGHTING
MONITOR BUZZER <COLT CZ3>
(CONTINUED)

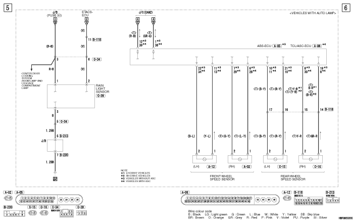
TAIL LAMP, POSITION LAMP, LICENCE PLATE LAMP AND LIGHTING
MONITOR BUZZER <COLT CZ3>
(CONTINUED)
