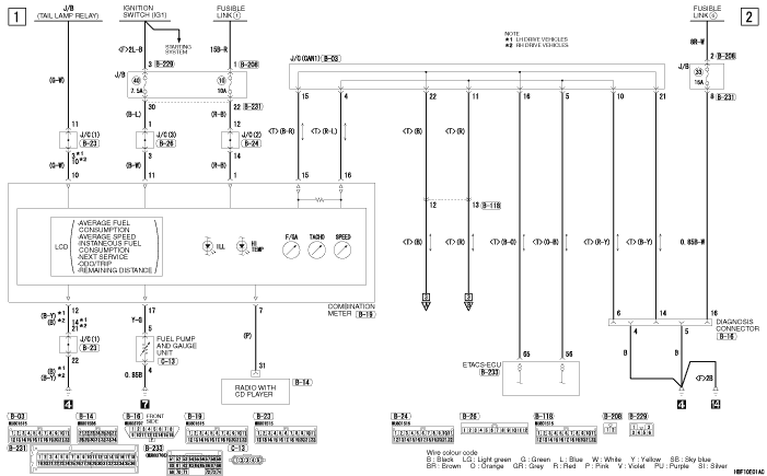
METER AND GAUGE <4G1>






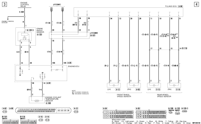
METER AND GAUGE <4G1> (CONTINUED)