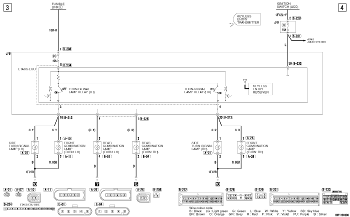
CENTRAL
DOOR LOCKING SYSTEM <COLT (LH DRIVE VEHICLES)>

CENTRAL DOOR LOCKING SYSTEM <COLT (LH DRIVE
VEHICLES)>
(CONTINUED)

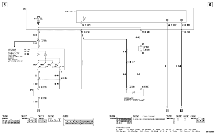
CENTRAL DOOR LOCKING SYSTEM <COLT (LH DRIVE
VEHICLES)>
(CONTINUED)

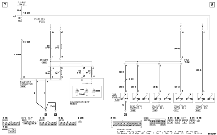
CENTRAL DOOR LOCKING SYSTEM <COLT (LH DRIVE
VEHICLES)>
(CONTINUED)
