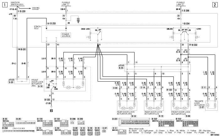
CENTRAL
DOOR LOCKING SYSTEM <COLT (RH DRIVE VEHICLES WITH DEADLOCK SYSTEM)>

CENTRAL DOOR LOCKING SYSTEM <COLT (RH DRIVE
VEHICLES WITH DEADLOCK SYSTEM)>
(CONTINUED)

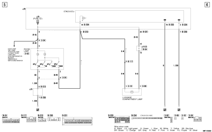
CENTRAL DOOR LOCKING SYSTEM <COLT (RH DRIVE
VEHICLES WITH DEADLOCK SYSTEM)>
(CONTINUED)

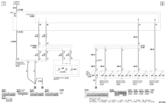
CENTRAL DOOR LOCKING SYSTEM <COLT (RH DRIVE
VEHICLES WITH DEADLOCK SYSTEM)>
(CONTINUED)
