CENTRAL
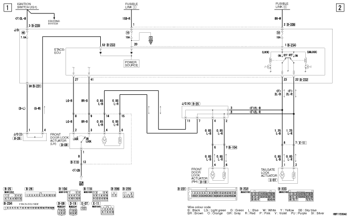
DOOR LOCKING SYSTEM <COLT CZ3 (LH DRIVE VEHICLES)>

CENTRAL DOOR LOCKING SYSTEM <COLT CZ3 (LH
DRIVE VEHICLES)>
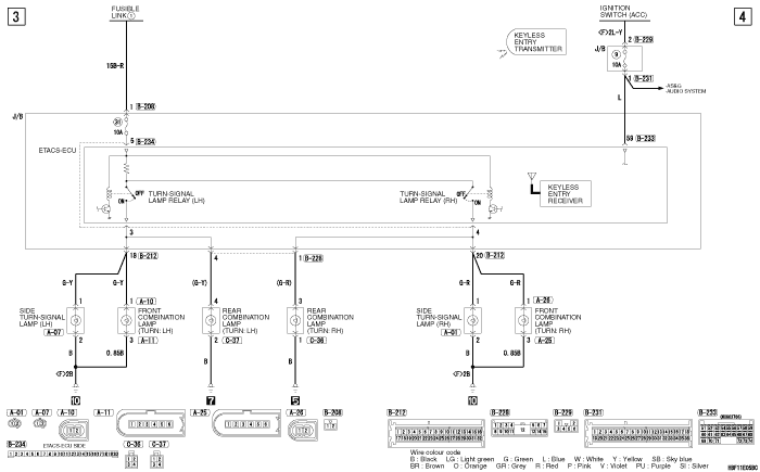
(CONTINUED)

CENTRAL DOOR LOCKING SYSTEM <COLT CZ3 (LH
DRIVE VEHICLES)>
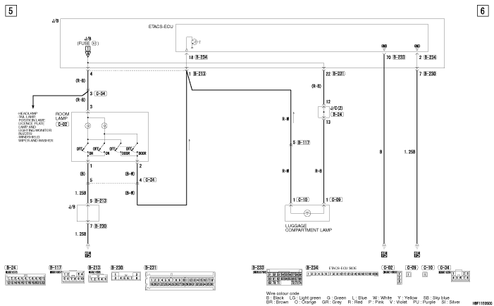
(CONTINUED)

CENTRAL DOOR LOCKING SYSTEM <COLT CZ3 (LH
DRIVE VEHICLES)>
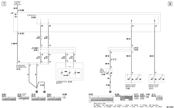
(CONTINUED)
