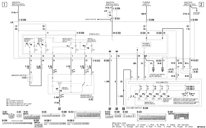
WINDSHIELD WIPER AND WASHER <4G1>






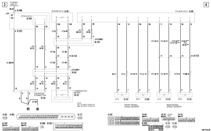
WINDSHIELD WIPER AND WASHER <4G1> (CONTINUED)





WINDSHIELD WIPER AND WASHER <4G1> (CONTINUED)