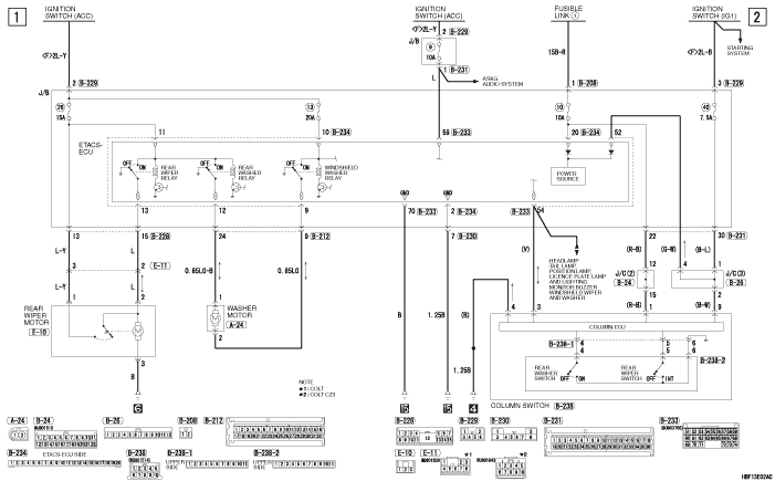
REAR WIPER AND WASHER






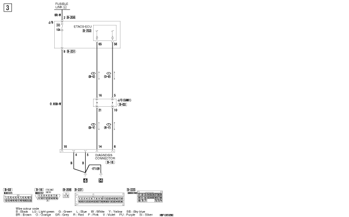
REAR WIPER AND WASHER (CONTINUED)