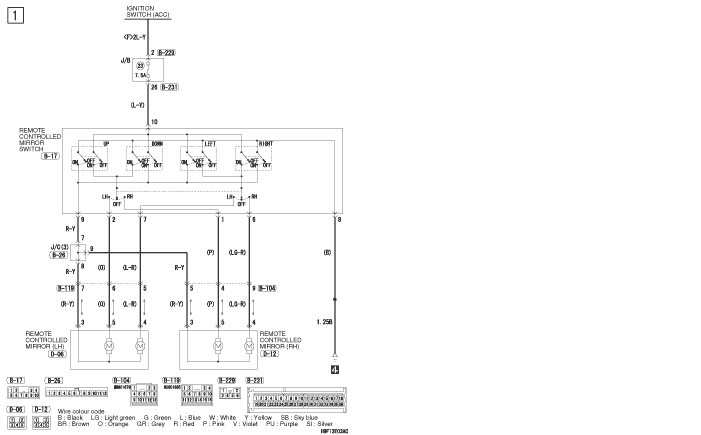
REMOTE CONTROLLED MIRROR <LH DRIVE VEHICLES>