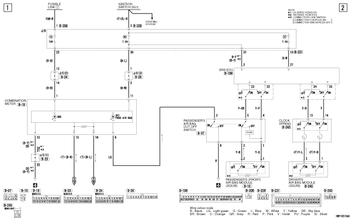
SRS
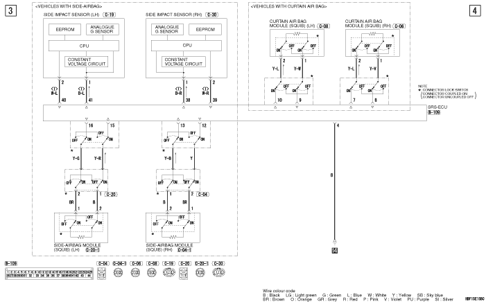
SRS (CONTINUED)
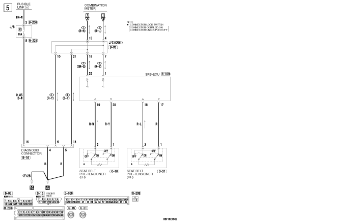
SRS (CONTINUED)