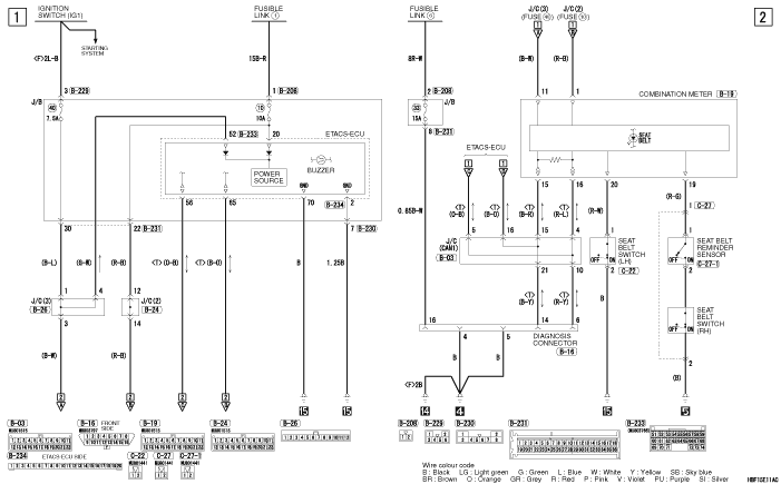
SEAT BELT WARNING BUZZER <LH DRIVE VEHICLES>