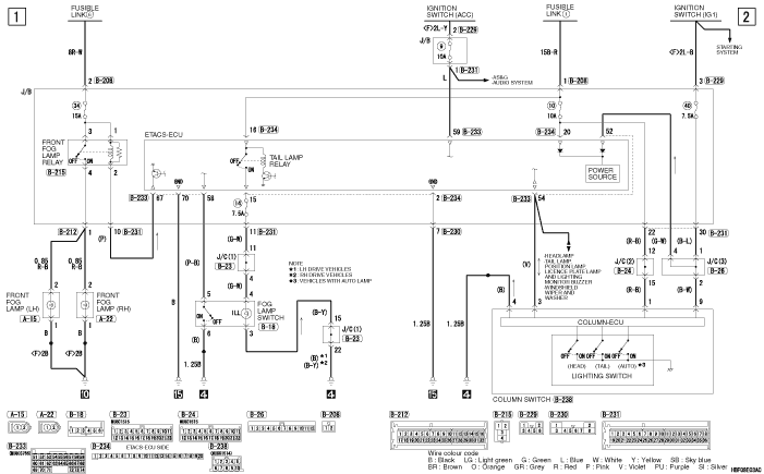
FRONT FOG LAMP






FRONT FOG LAMP (CONTINUED)