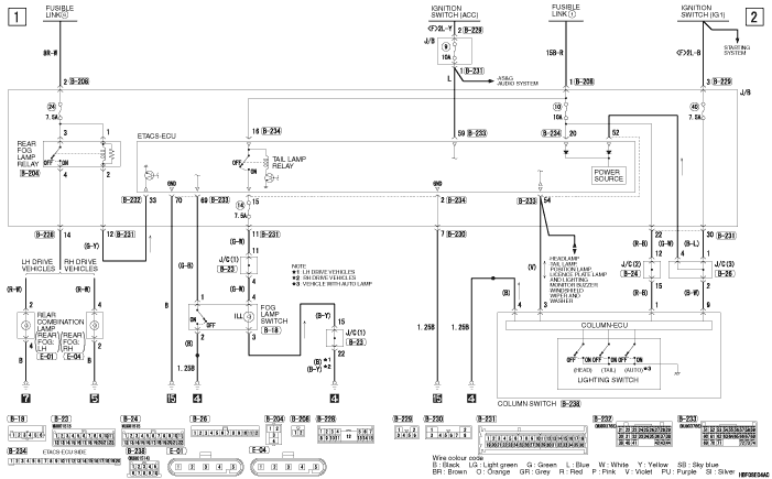
REAR FOG LAMP <COLT>






REAR FOG LAMP <COLT> (CONTINUED)