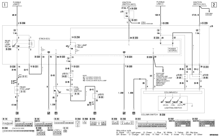
REAR FOG LAMP <COLT CZ3>






REAR FOG LAMP <COLT CZ3> (CONTINUED)