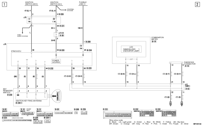
IMMOBILIZER SYSTEM <3A9, 4A9 (RH DRIVE VEHICLES)>






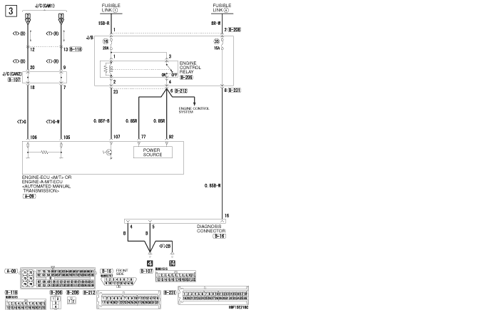
IMMOBILIZER SYSTEM <3A9, 4A9 (RH DRIVE VEHICLES)> (CONTINUED)