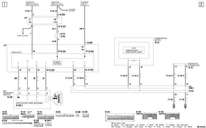
IMMOBILIZER SYSTEM <4G1 (RH DRIVE VEHICLES)>






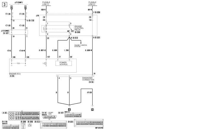
IMMOBILIZER SYSTEM <4G1 (RH DRIVE VEHICLES)> (CONTINUED)