J/C






J/C (CONTINUED)





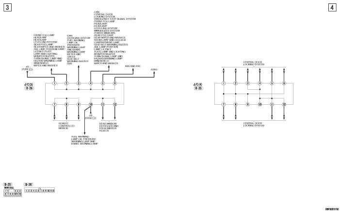
J/C (CONTINUED)