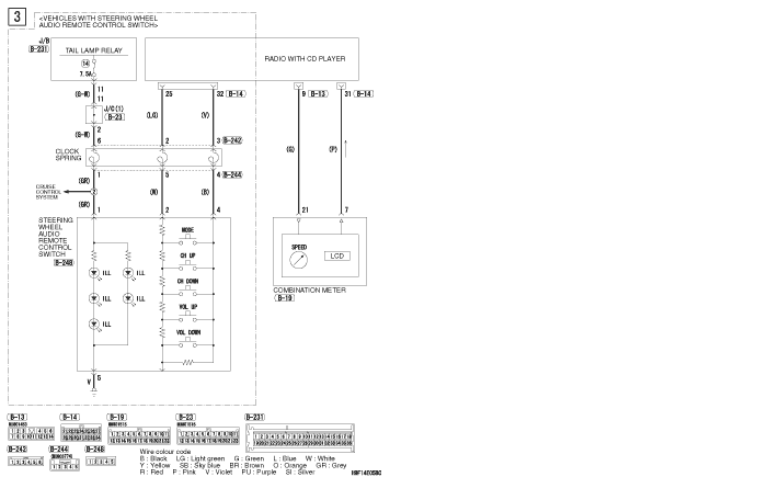
AUDIO SYSTEM <COLT (LH DRIVE VEHICLES)>






AUDIO SYSTEM <COLT (LH DRIVE VEHICLES)> (CONTINUED)