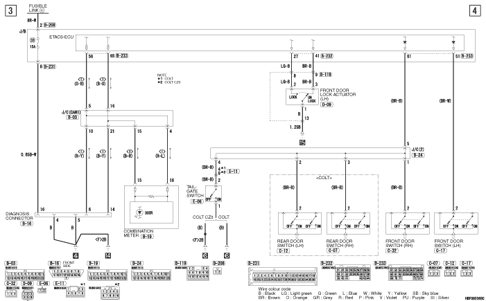
ROOM LAMP AND LUGGAGE COMPARTMENT LAMP <LH DRIVE VEHICLES>






ROOM LAMP AND LUGGAGE COMPARTMENT LAMP <LH DRIVE VEHICLES> (CONTINUED)