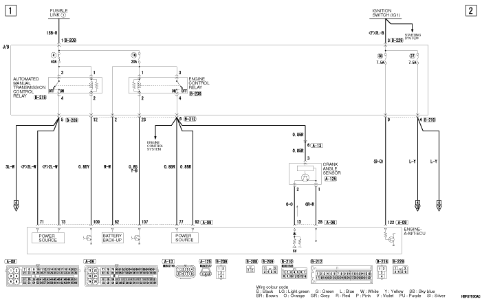
AUTOMATED MANUAL TRANSMISSION SYSTEM






AUTOMATED MANUAL TRANSMISSION SYSTEM (CONTINUED)





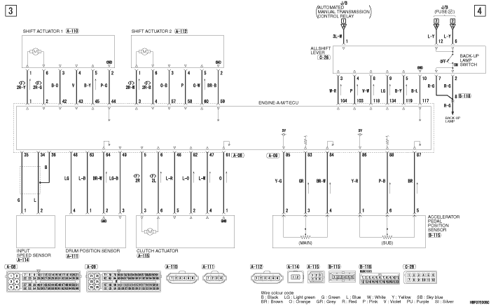
AUTOMATED MANUAL TRANSMISSION SYSTEM (CONTINUED)





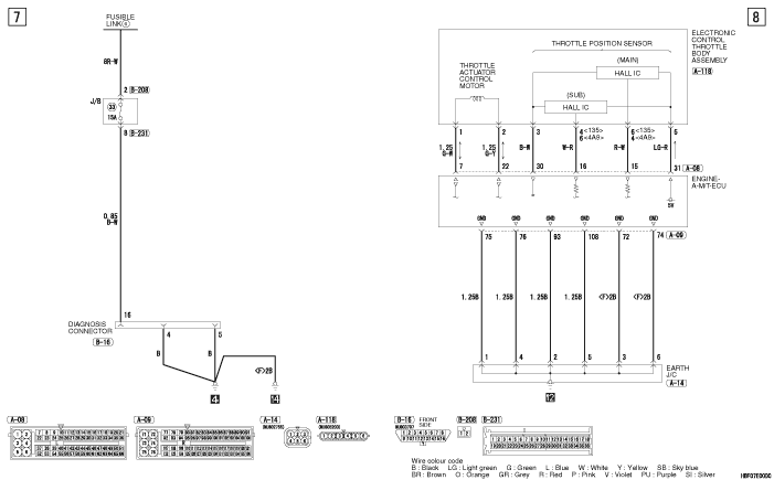
AUTOMATED MANUAL TRANSMISSION SYSTEM (CONTINUED)