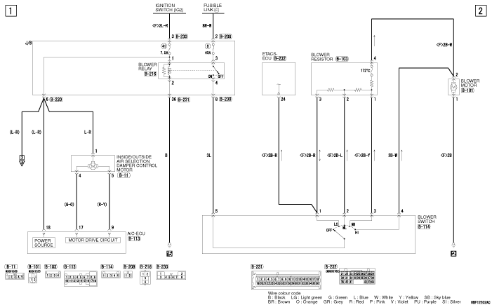
SEMI-AUTOMATIC AIR CONDITIONER <4G1>






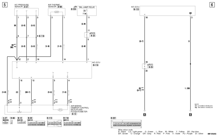
SEMI-AUTOMATIC AIR CONDITIONER <4G1> (CONTINUED)





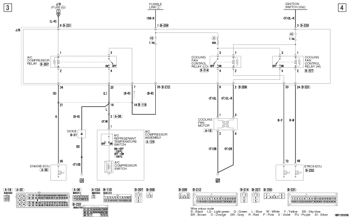
SEMI-AUTOMATIC AIR CONDITIONER <4G1> (CONTINUED)





SEMI-AUTOMATIC AIR CONDITIONER <4G1> (CONTINUED)