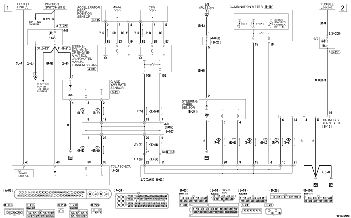
ABS AND ASC <134, 3A9, 135, 4A9>






ABS AND ASC <134, 3A9, 135, 4A9> (CONTINUED)